CytoTrapNano循环肿瘤细胞分选系统
CytoTrapNano? CTC Enumeration System
The CytoTrapNano? CTC Enumeration System is a semi-automatic system that can capture and quantify CTCs from a standard blood sample with a high level of sensvity and specificity.
The CytoTrapNano? system is comprised of the following three components:
1) the chip holder and fluidic handler to house the CytoTrapNano? Chip and overlaid PDMS chaotic mixer, allowing for highly efficient CTC capture from a pre-processed blood sample, 2) a fluorescence microscope for imaging CTCs immobilized on a CytoTrapNano? Chip, and 3) reagent kits. In general, it takes less then 3 h to run multiple CTC enumeration studies in parallel using an array of CytoTrapNano? Systems.
CytoLumina is developing a premarket notification based on the successful demonstration of substantial equivalence of the CytoTrapNano? to the CellSearch? Epithelial Cell Kit/Cell Spotter Analyzer (Veridex, Raritan, NJ) cleared under K073338, for the purpose of enumerating CTCs in patients with metastatic prostate cancer.
该系统为医疗保健和研究专业人员提供灵敏和特异的检测,用于检测和分析 CTC.
CytoTrapNano® 系统已用于同行评审研究,以从血液或其他液体样本中捕获稀有细胞,包括循环肿瘤细胞 (CTC) 和循环胎儿有核细胞 (CFNC)。

用生物素化抗体标记的细胞被专门捕获在 CytoTrapNano® 芯片上。
仅供科研使用 (RUO)。
关键技术特点:
专利技术平台——CytoTrapNano® 系统采用革命性的、专利的细胞亲和纳米结构基底分选平台、集成微流体系统和新型免疫化学程序。
高特异性和准确性 - CytoTrapNano® 系统捕获 CTC 的能力已得到证实,ICC 和高分辨率形态学进一步证实了这一点。
经验证的技术 - 在多个医疗机构进行科学验证,结果发表在具有高影响力的同行评审期刊上。
通过 CytoTrapNano® 设备捕获和识别 CTC 和其他稀有细胞
在 CytoTrapNano® 芯片上捕获和免疫荧光染色的细胞可以用荧光显微镜观察。* CytoTrapNano® 系统已用于临床研究以捕获来自前列腺癌、皮肤癌、胰腺癌、肝癌、肾癌和肺癌患者的 CTC。 这些设备还被用于临床研究,以捕获和识别从孕妇抽取的血液中的稀有胎儿细胞。 这些结果发表在高影响力期刊上。
*注意:由于芯片的不透明特性,显微镜的光源和镜头必须在芯片的同一侧。
对于 CTC 相关研究,可以使用 RUO 试剂盒。
对于涉及其他稀有细胞的研究,用户需要使用自己的捕获抗体和染色溶液。
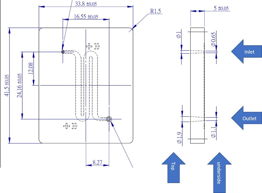
CTC分选芯片-CytoTrapNanoTM 芯片(CytoTrapNano® Chip)
CytoTrapNanoTM 芯片是 Cytolumina Technologies 专有的微流体 CTC 捕获和筛选纳米技术产品。 该芯片有一个带有 3 个并行通道的纳米蚀刻面。 将芯片存放在 2-8°C.
细胞捕获和染色后,芯片可以很容易地附着在载玻片上,并用荧光显微镜检查。
CytoTrapNanoTM PDMS 底物盖,CytoTrapNanoTM PDMS Substrate Cover
CytoTrapNanoTM PDMS 底物盖可确保芯片在 CTC 富集过程中牢固地固定在芯片架中。 盖子有一个包含入口和出口孔的纳米蚀刻面。 在室温 (20-25oC) 下储存 CytoTrapNanoTM PDMS 底物盖
CytoTrapNano® 手动芯片架
CytoTrapNano® 手动芯片架是一种紧凑、简单的设备,可确保芯片和 PDMS 盖在 CTC 富集和固定过程中牢固固定以形成微流体通道。 CytoTrapNano® 芯片支架可与标准注射泵系统一起使用,以捕获 CytoTrapNano® 芯片上的细胞。
该平台已通过 Tygon 管 0.04" ID x 0.07" OD 和注射泵成功测试。
自动化解决方案

CytoTrapNanoTM 注射泵系统是一种易于使用的quan自动 CTC 富集和染色系统。 它通过 TR(热释放)-CytoTrapNanoTM 系统实现 CTC 收集和保存,用于分子检测开发.
应用-关键研究:

Prostate Cancer
(1) Highly efficient capture of circulating tumor cells by using nanostructured silicon substrates with integrated chaotic micromixers. S Wang, K Liu, J Liu, ZTF Yu, X Xu, L Zhao, T Lee, EK Lee, J Reiss, ...Angewandte Chemie 123 (13), 3140-3144
(2) NanoVelcro Chip for CTC enumeration in prostate cancer patients. YT Lu, L Zhao, Q Shen, MA Garcia, D Wu, S Hou, M Song, X Xu, ...Methods 64 (2), 144-152
(3) High‐purity prostate circulating tumor cell isolation by a polymer nanofiber‐embedded microchip for whole exome sequencing. L Zhao, YT Lu, F Li, K Wu, S Hou, J Yu, Q Shen, D Wu, M Song, ... Advanced materials 25 (21), 2897-2902
(4) Subclassification of prostate cancer circulating tumor cells by nuclear size reveals very small nuclear circulating tumor cells in patients with visceral metastases. JF Chen, H Ho, J Lichterman, YT Lu, Y Zhang, MA Garcia, SF Chen, ...Cancer 121 (18), 3240-3251
Melanoma
(5) Polymer nanofiber‐embedded microchips for detection, isolation, and molecular analysis of single circulating melanoma cells. S Hou, L Zhao, Q Shen, J Yu, C Ng, X Kong, D Wu, M Song, X Shi, X Xu, ...Angewandte Chemie International Edon 52 (12), 3379-3383
Pancreatic Cancer
(6) Circulating tumour cells as a biomarker for diagnosis and staging in pancreatic cancer. JS Ankeny, CM Court, S Hou, Q Li, M Song, D Wu, JF Chen, T Lee, M Lin,...Brsh journal of cancer 114 (12), 1367
(7) Circulating Tumor Cells Predict Occult Metastatic Disease and Prognosis in Pancreatic Cancer. JS Ankeny, S Sho, P Winograd, S Hou, M Song, ZA Wainberg, MD Girgis, ...Annals of Surgical Oncology, 1-9
Hepatocellular Carcinoma
(8) Evaluation of hepatocellular carcinoma circulating tumor cells expressing programmed death-ligand 1. P Winograd, S Hou, S Sadeghi, RS Finn, B DiPardo, Q Li, FM Kaldas, ...HPB 20, S2-S3
(9) A Novel Multimarker Assay for the Phenotypic Profiling of Circulating Tumor Cells in Hepatocellular Carcinoma. CM Court, S Hou, P Winograd, NH Segel, QW Li, Y Zhu, S Sadeghi, ...Liver Transplantation
Non-Small Cell Lung Cancer
(10) Programming thermoresponsiveness of NanoVelcro substrates enables effective purification of circulating tumor cells in lung cancer patients. Z Ke, M Lin, JF Chen, J Choi, Y Zhang, A Fong, AJ Liang, SF Chen, Q Li, ...ACS nano 9 (1), 62-70
Kidney Cancer
(11) Combined cell surface carbonic anhydrase 9 and CD147 antigens enable high-efficiency capture of circulating tumor cells in clear cell renal cell carcinoma patients. S Liu, Z Tian, L Zhang, S Hou, S Hu, J Wu, Y Jing, H Sun, F Yu, L Zhao, ...Oncotarget 7 (37), 59877
Fetal cells
(12) Imprinted NanoVelcro Microchips for Isolation and Characterization of Circulating Fetal Trophoblasts: Toward Noninvasive Prenatal Diagnostics (vol 11, pg 8167, 2017). S Hou, JF Chen, M Song, Y Zhu, YJ Jan, SH Chen, TH Weng, DA Ling, ...ACS NANO 11 (12), 12863-12863
Review Articles
(13) Nanostructure embedded microchips for detection, isolation, and characterization of circulating tumor cells M Lin, JF Chen, YT Lu, Y Zhang, J Song, S Hou, Z Ke, HR Tseng Accounts of chemical research 47 (10), 2941-2950
(14) NanoVelcro rare-cell assays for detection and characterization of circulating tumor cells. YJ Jan, JF Chen, Y Zhu, YT Lu, SH Chen, H Chung, M Smalley, ...Advanced drug delivery reviews 125, 78-93
(15) Clinical applications of NanoVelcro rare-cell assays for detection and characterization of circulating tumor cells JF Chen, Y Zhu, YT Lu, E Hodara, S Hou, VG Agopian, JS Tomlinson, ...Theranostics 6 (9), 1425
(16) Noninvasive Prenatal Diagnostics: Recent Developments Using Circulating Fetal Nucleated Cells PJ Chen, PC Teng, Y Zhu, YJ Jan, M Smalley, Y Afshar, LC Chen, ...Current Obstetrics and Gynecology Reports, 1-8
文献:
Publications
-
Y.J. Jan, J. Yoon, J.-F. Chen, P.-C. Teng, N. Yao, S. Cheng, A. Lozano, C.-Y. Chu, H. Chung, Y.-T. Lu, P.-J. Chen, J.J. Wang, Y.-T. Lee, Y. Zhu, B.S. Knudsen, F.Y. Feng, I.P. Garraway, A.C. Gao, L.W.K. Chung, M.R. Freeman, S. You, H.-R. Tseng, E.M. Posadas (2019) A Circulating Tumor Cell-RNA Assay for Assessment of Androgen Receptor Signaling Inhibitor Sensvity in Metastatic Castration-Resistant Prostate Cancer. Theranostics; 9: In press. PMCID: PMC6568173
-
J. Dong, R.Y. Zhang, N. Sun, M. Smalley, Z. Wu, A. Zhou, S.J. Chou, Y.J. Jan, P. Yang, L. Bao, D. Qi, X. Tang, P. Tseng, Y. Hua, D. Xu, R. Kao, M. Meng, X. Zheng, Y. Liu, T. Vagner, X. Chai, D. Zhou, M. Li, S.H. Chiou, G. Zheng, D. Di Vizio, V.G. Agopian, E.M. Posadas, S.J. Jonas, S.P. Ju, P.S. Weiss, M. Zhao, H.-R. Tseng, and Y. Zhu (2019) Bio-Inspired NanoVilli Chips for Enhanced Capture of Tumor-Derived Extracellular Vesicles: Toward Non-Invasive Detection of Gene Alterations in Non-Small Cell Lung Cancer. ACS Appl. Mater. Interfaces; 11: In press. PMCID: PMC6545291
-
M. Hou, Y. Zheng, Z. Ding, S. He, M. Xu, X. Chen, H. Zheng, C. Sun, W. Jiang, H. Wang, H. Shen, Y. Zhang, J. Liu, S. Sun, N. Jiang, Y. Cui, Y. Sun, Y. Chen, J. Cao, C. Wang, M. Li, Y. Zhang, J. Wang, M. Lin, Z. Ke (2019) The Role of a Semi-Automated NanoVelcro System in Capturing Circulating Tumor Cells and Evaluating Their Prognostic Value for Gestational Choriocarcinoma. Biomater. Sci.; 2019, 7, 1200-1210. In Press. PMID: 30656300
-
W. He, M. Hou, H. Zhang, C. Zeng, S. He, X. Chen, M. Xu, C. Sun, W. Jiang, H. Wang, H. Shen, Y. Zhang, J. Liu, S. Sun, N. Jiang, Y. Cui, Y. Sun, Y. Chen, J. Cao, C. Wang, M. Li, Y. Xhang, L. Wang, J. Wang, M. Lin, Z. Ke (2018) Clinical significanve of circulating tumor cells in predicting disease progression and chemotherapy resistance in patients with gestational choriocarcinoma. International Journal of Cancer; 144(6), 1241-1431: In Press. PMCID: PMC658745
-
M. Reis-Sobreiro, J.-F. Chen, T. Novitskaya, S. You, S. Morley, K. Steadman, N.K. Gill, A. Eskaros, M. Rotinen, C.-Y. Chu, L.W.K. Chung, H. Tanaka, W. Yang, B.S. Knudsen, H.-R. Tseng, A.C. Rowat, E.M. Posadas, A. Zijlstra, D. Di Vizio, M.R. Freeman (2018) Emerin Deregulation Links Nuclear Shape Instability to Metastatic Potential, Cancer Research, Cancer Res; 78(21); 6086–97.
-
A.F. Salem, S. Wang, S. Billet, J.-F. Chen, P. Udompholkul, L. Gambini, C. Baggio, H.-R. Tseng, E.M. Posadas, N.A. Bhowmick, M. Pellecchia (2018) Reduction of Circulating Cancer Cells and Metastases in Breast-Cancer Models by a Potent EphA2-Agonistic Peptide–Drug Conjugate, J. Med. Chem., 61 (5), 2052–2061. PMCID: PMC5907794
-
C.M. Court, S. Hou, P. Winograd, N.H. Segel, Q. Wilda Li, Y. Zhu, S. Sadeghi, R.S. Finn, E. Ganapathy, M. Song, S.W. French, B. Naini, S. Sho, F.M. Kaldas, R.W. Busuttil, J.S. Tomlinson, H.-R. Tseng, V.G. Agopian (2018) A Novel Multimarker Assay for the Phenotypic Profiling of Circulating Tumor Cells in Hepatocellular Carcinoma, Liver Transplantation, 24(7), 946-960. PMCID: PMC6097911
-
Y.J. Jan, J.-F. Chen, Y. Zhu, Y.-T. Lu, S.H. Chen, H. Chung, M. Smalley, Y.-W. Huang, Ji. Dong, L.-C. Chen, H.-H. Yu, J.S. Tomlinson, Hou, V. G. Agopian, E. M. Posadas, H.-R. Tseng (2018) NanoVelcro Rare-Cell Assays for Detection and Characterization of Circulating Tumor Cells, Adv. Drug Delivery Rev. 125: 78-93. PMCID: PMC5993593
-
C.M. Court, J.S. Ankeny, S. Sho, P. Winograd, S. Hou, M. Song, Z.A. Wainberg, M.D. Girgis, T.G. Graeber, V.G. Agopian, H.-R. Tseng, J.S. Tomlinson (2018) Circulating Tumor Cells Predict Occult Metastatic Disease and Prognosis in Pancreatic Cancer, Ann. Surg. Oncol. 25(X): In press. PMCID: PMC5896564
-
M.-Y. Shen, J.-F. Chen, C.-H. Luo, S. Lee, C.-H. Li, Y.-L. Yang, Y.-H. Tsai, B.-C. Ho, L.-R. Bao, T.-J. Lee, Y.J. Jan, Y. Zhu, S. Cheng, F.Y. Feng, P. Chen, S. Hou., V. Agopian., Y.-S. Hsiao, H.-R. Tseng, E.M. Posadas, H. Yu (2018) Glycan Stimulation Enables Purification of Prostate Cancer Circulating Tumor Cells on PEDOT NanoVelcro Chips for RNA Biomarker Detection, Adv. HealthCare Mater. 6(X): In press. PMCID: PMC5803304
-
S. Sho, P. Winograd, S. Lee, S. Hou, T. G. Graeber, H.-R. Tseng, J.S. Tomlinson (2017) Precision Oncology Using a Limited Number of Cells: Optimization of Whole Genome Amplification Products for Sequencing Applications, BMC Cancer, 17, 457-470. PMCID: PMC5493892
-
S. Hou, M. Lin, J.-F. Chen, M. Song, Y. Zhu, Y.J. Jan, S. H. Chen, T.-H. Weng, D.-A. Ling, S.-F. Chen, T. Ro, A.-J. Liang, T. Lee, H. Jin, M. Li, L. Liu, Y. S. Hsiao, P. Chen, H. Yu, M.-S. Tsai, M. D. Pisarska, A. Chen, L.-C. Chen, H.-R. Tseng (2017) Imprinted NanoVelcro Microchips for Isolation and Characterization of Circulating Fetal Trophoblasts: Toward Noninvasive Prenatal Diagnostics, ACS Nano, 11(8): 8167-8177. PMCID: PMC5614709
-
R.L. Grossman, B. Abel, S. Angiuoli, J.C. Barrett, D. Bassett, K. Bramlett, G.M. Blumenthal, A. Carlsson, R. Cortese, J. DiGiovanna, B. Davis-Dusenbery, R. Dittamore, D.A. Eberhard, P. Febbo, M. Fitzsimons, Z. Flamig, J. Godsey, J. Goswami, A. Gruen, F.O. Guzman, J. Han , D. Hayes, J. Hicks, D. Holloway, D. Hovelson, J. Johnson, H. Juhl, R. Kalamegham, R. Kamal, Q. Kang, G.J. Kelloff, M. Klozenbuecher, A. Kolatkar, P. Kuhn, K. Langone, R. Leary, P. Loverso, H. Manmathan, A.M. Martin, J. Martini, D. Miller, M. Mitchell, T. Morgan, R. Mulpuri, T. Nguyen, G. Otto, A. Pathak, E. Peters, R. Philip, E. Posadas, D. Reese, M.G. Reese, D. Robinson, A.D. Rossi, H. Sakul, J. Schageman, S. Singh, H.I. Scher, K. Schmitt, A. Silvestro, J. Simmons, T. Simmons, J. Sislow, A. Talasaz, P. Tang, M. Tewari, S. Tomlins, H. Toukhy, H.-R. Tseng, M. Tuck, A. Tzou, J. Vinson, Y. Wang, W. Wells, A. Welsh, J. Wilbanks, J. Wolf, L. Young, J.S. Lee, L.C. Leiman (2017) Clin Pharmacol Ther. 101 (5): 589-592. PMCID: PMC5525192
-
J.F. Chen, Y.T. Lu, S. Cheng , H.-R. Tseng, R.A. Figlin, E.M. Posadas (2017) Circulating Tumor Cells in Prostate Cancer: Beyond Enumeration, Clin. Adv. Hematol. Oncol. 15(1): 63-73.
-
S. Cheng, J.-F. Chen, Y.-T. Lu, L. W.K. Chung, H.-R. Tseng, E.M. Posadas (2016) Applications of Circulating Tumor Cells for Prostate Cancer, Asian Journal of Urology, 3(4): 254-259. PMCID: PMC5730870
-
R. Wang, C.-Y. Chu, S. Mrdenovic, A.A. Annamalai, A.E. Hendifar, N. N. Nissen, J.S. Tomlinson, M. Lewis, N. Palanisamy, H.-R. Tseng, E.M. Posadas, S.J. Pandol, H.E. Zhau, L.W.K. Chung (2016) Cultured Circulating Tumor Cells and Their Derived Xenografts for Personalized Oncology, Asian Journal of Urology, 3(4): 240-253. PMCID: PMC5730836
-
S. Liu, Z. Tian, L. Zhang, S. Hou, S. Hu, J. Wu, Y. Jing, H. Sun, F. Yu, L. Zhao, R. Wang, H.-R. Tseng, H. E. Zhau, L.W. Chung, K. Wu, H. Wang, J.B. Wu, Y. Nie, C. Shao (2016) Combined Cell Surface Carbonic Anhydrase 9 and CD147 Antigens Enable High-Efficiency Capture of Circulating Tumor Cells in Clear Cell Renal Cell Carcinoma Patients, Oncotarget, 7(37):59877-59891. PMCID: PMC5312355
-
C. M. Court, J. S. Ankeny, S. Sho, S. Hou, Q. Li, C. Hsieh, M. Song, X. Liao, M. M. Rochefort, Z. Wainberg, T. Graeber, H.-R. Tseng, J. S. Tomlinson (2016) Reality of Single Circulating Tumor Cell Sequencing for Molecular Diagnostics in Pancreatic Cancer, J. Mol. Diagn. In press. PMCID: PMC5397706
-
J.-F. Chen, Y. Zhu, Y.-T. Lu, E. Hodara, S. Hou, V. G. Agopian, J. S. Tomlinson, E. M. Posadas, H.-R. Tseng (2016) Clinical Applications of NanoVelcro Rare-Cell Assays for Detection and Characterization of Circulating Tumor Cells, Theranostics, 6(9): 1425-1439. PMCID: PMC4924510
-
J. Ankeny, C. Court, S. Hou, Q. Li, M. Song, D. Wu, J.-F. Chen, T. Lee, M. Lin, S. Sho, M. Rochefort, M. Girgis, J. Yao, Z. Wainberg, V. Muthusamy, R. Watson, T. Donahue, O. Hines, H. Reber, T. Graeber, H.-R. Tseng, and J. Tomlinson (2016) Circulating Tumor Cells as a Biomarker for Diagnosis and Staging in Pancreatic Cancer, Br. J. Cancer, 114, 1367–1375. PMCID: PMC4984454
-
W. He, D. Xu, Z. Wang, X. Xiang, B. Tang, S. Li, M. Hou, Y. Zhang, J.-F Chen, M. Lin, L. Wang, S. Hou, H.-R. Tseng, M. Kuang, Z.-F. Ke (2016) Detecting ALK-Rearrangement of CTC Enriched by NanoVelcro Chip in Advanced NSCLC Patients, Oncotarget, 7: in press. PMCID: in process
-
L. Zhao, C. Tang, L. Xu, Z. Zhang, X. Li, H. Hu, S. Cheng, W. Zhou, M. Huang, A. Fong, B. Liu, H.-R. Tseng, H. Gao, Y. Liu, X. Fang (2016) Enhanced and Differential Capture of Circulating Tumor Cells from Lung Cancer Patients by Microfluidic Assays Using Aptamer Cocktail, Small, 12(8):1072-81. PMCID: PMC4893320
-
R. Jiang, Y.-T. Lu, H. Ho, B. Li, J.-F. Chen, M. Lin, F. Li, K. Wu, H. Wu, J. Lichterman, Hao. Wan, C.-L. Lu, W. OuYang, M. Ni, L. Wang, G. Li, T. Lee, X. Zhang, J. Yang, M. Rettig, L.W.K. Chung, H. Yang, K.-C. Li, Y. Hou, H.-R. Tseng, S. Hou, X. Xu, J. Wang, E.M. Posadas (2015) A Comparison of Isolated Circulating Tumor Cells and Tissue Biopsies Using Whole-Genome Sequencing in Prostate Cancer, Oncotarget, 6(42): 44781-44793. PMCID: PMC4792591
-
C.M. Court, J.S. Ankeny, S. Hou, H.-R. Tseng, J.S Tomlinson (2015) Improving Pancreatic Cancer Diagnosis Using Circulating Tumor Cells, Prospects for Staging and Single-Cell Analysis, Expert Review of Molecular Diagnostics, 15(11): 1491-1504. PMCID: PMC4893319
-
J.-F. Chen, H. Ho, J. Lichterman, Y.-T. Lu, Y. Zhang, M. A. Garcia, S.-F. Chen, A.-J. Liang, S. Hou, R. S. Ahmed, D. J. Luthringer, J. Huang, K.-C. Li, L. W.K. Chung, Z. Ke, H.-R. Tseng , E. M. Posadas (2015) Subclassification of Prostate Cancer Circulating Tumor Cells by Nuclear Size Reveals Very Small Nuclear Circulating Tumor Cells in Patients with Visceral Metastases, Cancer, 121: 3240–3251. PMCID: PMC4560974
-
Z. Ke, M. Lin, J.-F. Chen, J.-S. Choi, Y. Zhang, A. Fong, A.-J. Liang, S.-F. Chen, Q. Li, M. A. Garcia, T. Lee, M. Song, H.-A. Lin, H. Zhao, S.-C. Luo, S. Hou, H. Yu, H.-R. Tseng (2015) Programming Thermoresponsiveness of NanoVelcro Substrates Enables Effective Purification of Circulating Tumor Cells in Lung Cancer Patients, ACS Nano. 9: 62-70. PMCID: PMC4310634
-
M. Lin, J.-F. Chen, Y.-T. Lu, Y. Zhang, J. Song, S. Hou, Z. Ke, H.-R. Tseng (2014) Nanostructures-Embedded Microchips for Detection, Isolation, and Characterization of Circulating Tumor Cells, Acc. Chem. Res. 47: 2941-2950. PMCID: PMC4204926
-
Y.-S. Hsiao, S.-C. Luo, S. Hou, B. Zhu, J. Sekine, C.-W. Kuo, D.-Y. Chueh, H. Yu, H.-R. Tseng, and P. Chen (2014) 3D Bioelectronic Interface: Capturing Circulating Tumor Cells onto Conducting Polymer-Based Micro/Nanorod Arrays with Chemical and Topographical Control, Small, 10: 3012–3017. PMCID: PMC4125486
-
Y.-T. Lu, L. Zhao, Q. Shen, M. A. Garcia, D. Wu, S. Hou, M. Song, X. Xu, W.-H. OuYang, Z. Luo, T. Lee, .X. Xuan, J. Huang, L. W. K. Chung, M. Rettig, H.-R. Tseng, C. Shao, E. M. Posadas (2013) NanoVelcro Chip for CTC Enumeration in Prostate Cancer Patients, Methods, 64:144-152. PMCID: PMC3834112
-
L. Zhao, Y.-T. Lu, F. Li, K. Wu, S. Hou, J. Yu, Q. Shen, D. Wu, M. Song, W.-H. OuYang, Z. Luo, T. Lee, C. Shao, X. Xu, M. A. Garcia, L. W. K. Chung, M. Rettig, H.-R. Tseng, E. M. Posadas (2013) High-Purity Prostate Circulating Tumor Cell Isolation by a Polymer Nanofiber-Embedded Microchip for Whole Exome Sequencing, Adv. Mater. 25: 2897-2902. PMCID: PMC3875622(Internal Cover Highlight)
-
Q. Shen, L. Xu, L. Zhao, D. Wu, Y. Fan, Y. Zhou, W.-H. OuYang, X. Xu, Z. Zhang, T. Lee, B. Xiong, S. Hou, H.-R. Tseng, X. Fang (2013) Specific Capture and Release of Circulating Tumor Cells Using Aptamer Modified Nanosubstrates, Adv. Mater. 25: 2368–2373. PMCID: PMC3786685
-
S. Hou, Q. Shen, L. Zhao, J. Yu, C. Ng, X. Kong, D. Wu, M. Song, X. Shi, X. Xu, W.-H. OuYang, R. He, X.-Z. Zhao, B. Xiong, T. Lee, C. Brunicardi, M. A. Garcia, A. Ribas, R. S. Lo, H.-R. Tseng (2013) Polymer Nanofiber-Embedded Microchips for Detection, Isolation, and Molecular Analysis of Single Circulating Melanoma Cells. Angew. Chem. Int. Ed. 52: 3379–3383. PMCID: PMC3807678 (Internal Cover Highlight)
-
S. Hou, H. Zhao, L. Zhao, Q. Shen, K. S. Wei, D. Y. Suh, A. Nakao, M. A. Garcia, M. Song, T. Lee, B. Xiong, S.-C. Luo, H.-R. Tseng, H. Yu (2013) Capture and Stimulated Release of Circulating Tumor Cells on Polymer Grafted Silicon Nanostructures. Adv. Mater. 25: 1547–1551. PMCID: PMC3786692 (Internal Cover Highlight)
-
N. Zhang, Y. Deng, B. Cheng, L. Zhao, Q. Tai, L. Hong, Q. Shen, K. Liu, S. Guo, H.-R. Tseng, B. Xiong, X.-Z. Zhao (2012) Electrospun TiO2 Nanofiber-Based Cell Capture Assay for Detecting Circulating Tumor Cells from Colorectal and Gastric Cancer Patients. Adv. Mater. 24: 2756-2760.
-
J. Sekine, S.-C. Luo, S. Wang, B. Zhu, H.-R. Tseng and H.-H. Yu (2011) Functionalized Conducting Polymer Nanodots for Enhanced Cell Capturing: The Synergistic Effect of Capture Agents and Nanostructures. Adv. Mater. 23: 4778-4792.
-
S. Wang, K. Liu, J. Liu, Z. T.-F. Yu, E. K. Lee, X. Xu, J. Reiss, T. Lee, L. W. K. Chung, J. Huang, M. Rettig, D. Seligson, K. N. Duraiswamy, C. K.-F. Shen and H.-R. Tseng (2011) Highly Efficient Capture of Circulating Tumor Cells Using Nanostructured Silicon Substrates with Integrated Chaotic Micromixers. Angew. Chem. Int. Ed. 50: 3084-3088. (Featured on the Cover) PMCID: PMC3085082
-
J. Sun, M. Masterman-Smith, N. A. Graham, J. Jiao, J. Mottahedeh, M. Ohashi, J. DeJesus, D. R. Laks, E. Panosyan, J. Park, K. Kamei, K.-B. Lee, H. Wang, Z. T.-F. Yu, Y.-T. Lu, S. Hou, K. Li, M. Liu, N. Zhang, S. Wang, B. Angenieux, E. Samuels, D. Williams, V. Kankatit, D. Nathanson, M. van Dam, M. Phelps, L. Liau, P. S. Mischel, J. A. Lazareff, H. I. Kornblum, H. Wu, W. H. Yong, T. G. Graeber, H.-R. Tseng (2010) A Microfluidic Platform for Systems Pathology: Multiparameter Single-Cell Signaling Measurements of Clinical Brain Tumor Specimens. Cancer Research 70: 6128-6138. PMCID: PMC3163840
-
S. Wang, H. Wang, J. Jiao, K.-J. Chen, G. E. Owens, K. Kamei, J. Sun, D. J. Sherman, C. P. Behrenbruch, H. Wu, H.-R. Tseng (2009) Three-Dimensional Nanostructured Substrates toward Efficient Capture of Circulating Tumor Cells. Angew. Chem. Int. Ed. 48: 8970-8973. PMCID: PMC2878179
|